Редуктор цилиндрический двухступенчатый 1Ц2У 250




Технические характеристики 1Ц2У-250
| Название | Значение |
| Межосевое расстояние | 250 |
| Передаточное отношение | 8, 10, 12,5, 16, 20, 25, 31,5, 40 |
| Обороты вых. вала, об/мин | 18 - 187,5 |
| Крутящий момент, Н*м | 5000 |
| Мощность двигателя, кВт | 2,2 - 25,0 |
| Исполнение входного и выходного валов | Ц, К, М, П (Цилиндрический, Конический, c зубчатой Муфтой, Полый) |
| Вес, кг | 310 |
Редуктор цилиндрический двухступенчатый 1Ц2У-250 используется для уменьшения частоты вращения и максимизации крутящего момента в приводах различных машин и механизмов. Эти агрегаты активно применяются в общемашиностроительных отраслях — от металлургии и строительства до пищевой промышленности, а также в крановом и погрузочном оборудовании, конвейерах, дробилках, насосах, мешалках и лебедках.
Конструкция редуктора включает две ступени цилиндрических зубчатых передач, что обеспечивает высокую надежность, износостойкость и КПД не менее 97%. Межосевое расстояние 250 напрямую влияет на общие габариты и типоразмер агрегата. Редукторы выпускаются в различных типоразмерах и исполнениях, с разными вариантами сборок (11, 12, 21, 22 и др.). Это позволяет точно подобрать расположение быстроходного и тихоходного валов под конкретную задачу. Они рассчитаны на эксплуатацию в климатическом исполнении У3/У4 и могут работать как в непрерывном, так и в повторно-кратковременном режиме с переменной или постоянной нагрузкой. Габаритные и присоединительные размеры 1Ц2У-250 строго соответствуют отраслевым стандартам и дают возможность легко интегрировать редуктор в существующие приводные механизмы.
К преимуществам агрегатов относят:
- Почти полное отсутствие люфта.
- Прочность.
- Разнообразие вариантов сборки.
- Энергосбережение.
Пример условного обозначения редуктора цилиндрического двухступенчатого 1Ц2У 250
Редуктор 1Ц2У-250-16-12-КК-У3, где
1Ц2У — цилиндрический двухступенчатый горизонтальный редуктор;
250 — межосевое расстояние, мм;
16 — номинальное передаточное число из стандартного ряда;
22 — вариант сборки;
КК — коническое исполнение входного и выходного валов;
У3 — климатическое исполнение по ГОСТ 15150.
Редуктор цилиндрический двухступенчатый 1Ц2У 250 демонстрирует надежность при передаче больших нагрузок. Допускаемая радиальная нагрузка на выходном валу составляет 18 000 Н при постоянной нагрузке и до 25 000 Н в легком режиме (ПВ=15%). Масса агрегата — до 310 кг (чугунный корпус).
Техническое обслуживание редуктора 1Ц2У-250 включает:
регулярную проверку уровня и состояния масла;
контроль за герметичностью корпуса и отсутствием утечек;
осмотр на предмет посторонних шумов или вибраций.
Редукторы поставляются с чугунным (или алюминиевым, в зависимости от типоразмера) корпусом и проходят заводскую обкатку. Необходимая скорость вращения исполнительного механизма при заданном режиме работы обеспечивается оборотами выходного вала 18 - 187,5 об/мин. Мощность двигателя 2,2 - 25,0 кВт позволяет подобрать оптимальное сочетание для требуемого привода. Крутящий момент 5000 Н*м позволяет агрегату эффективно передавать вращение при высоких нагрузках.
А чтобы выбрать метод присоединения рабочего оборудования, обращайте внимание на исполнение конца выходного вала Ц, К, М, П (Цилиндрический, Конический, c зубчатой Муфтой, Полый). В редукторах серии 1Ц2У оно может быть коническим (К), цилиндрическим (Ц), с зубчатой муфтой (М) или полым (П), что обеспечивает гибкость при монтаже на различные типы приводов и соответствие требованиям конкретной схемы механизма.
Важно соблюдать условия эксплуатации, указанные в паспорте: не превышать допустимые радиальные консольные нагрузки на входных и выходных валах, не вносить конструктивных изменений и не использовать оборудование вне заявленных режимов. При соблюдении этих требований срок службы редуктора достигает 15 лет.
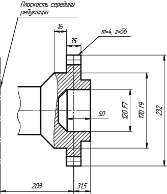
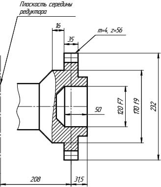
Габаритные и присоединительные размеры 1Ц2У-250
Цилиндрический вал
| Формы валов редуктора 1Ц2У-200 | Размер, мм | |||||||
| d | d1 | d2 | d3, не более | l | l1 | b | t | |
| Входной цилиндрический | 25k6 | * | * | * | 58 | * | 8 | 28 |
| Выходной цилиндрический | 65m6 | * | * | * | 105 | * | 18 | 71 |
Таблица подбора редуктора
| Параметры | Типоразмер 1Ц2У | ||||||
| 1Ц2У 250 | |||||||
| Номинальные передаточные числа | 8; 10; 12,5; 16; 20; 25; 31,5; 40 | ||||||
| Ном. крутящий момент на вых. валу при длительной работе с постоянной нагрузкой, Нм | непрерывный (Н) ПВ=100% | 5000 | |||||
| Номинальный крутящий момент на вых. валу при работе редуктора в повторно-кратковременных режимах, Нм | тяжелый (Т) ПВ=40% | 6300 | |||||
| средний (С) ПВ=25% | 8000 | ||||||
| легкий (Л) ПВ=15% | 10000 | ||||||
| Допускаемая радиальная консольная нагрузка, приложенная в середине посадочной части вала, Н | входного | непрерывный (Н) ПВ=100% | 3150 | ||||
| тяжелый (Т) ПВ=40% | 3550 | ||||||
| средний (С) ПВ=25% | 4000 | ||||||
| легкий (Л) ПВ=15% | 4500 | ||||||
| выходного | непрерывный(Н) ПВ=100% | 18000 | |||||
| тяжелый (Т) ПВ=40% | 20000 | ||||||
| средний (С) ПВ=25% | 22400 | ||||||
| легкий (Л) ПВ=15% | 25000 | ||||||
| КПД, не менее | 0,97 | ||||||
| Масса, кг | с чугунным корпусом | 310 | |||||
| с алюминиевым корпусом | — | ||||||
Купить редуктор 1Ц2У-250 в Краснодаре можно с доставкой по всей России и странам СНГ. Цена редуктора 1Ц2У-250 формируется с учетом типоразмера, исполнения валов (конические КК, цилиндрические ЦЦ, полые П и др.) и схемы сборки. Мы предлагаем продукцию напрямую от завода-изготовителя — с гарантией 12 месяцев, полным комплектом документации и оперативной отгрузкой. Чтобы оформить заказ, достаточно оставить заявку на сайте или связаться с нашими специалистами по телефону. Они помогут подобрать нужную модель по передаточному числу, крутящему моменту и габаритным размерам, а также проконсультируют по вопросам совместимости и монтажа.
Адреса ООО "СП НАСОСЭНЕРГОМАШ":
- Редукторы
- Редуктор цилиндрический двухступенчатый 1Ц2У 100
- Редуктор цилиндрический двухступенчатый 1Ц2У 125
- Редуктор цилиндрический двухступенчатый 1Ц2У 160
- Редуктор цилиндрический двухступенчатый 1Ц2У 200
- Редуктор цилиндрический двухступенчатый 1Ц2У 250
*Доставка в другие регионы осуществляется траспортными компаниями.
Услуги транспортной компании оплачивает клиент.
В ближайшее время наши менеджеры
свяжутся с Вами.
В ближайшее время наши менеджеры
свяжутся с Вами.


