Редуктор цилиндрический двухступенчатый с зацеплением Новикова 1Ц2Н 500




Технические характеристики 1Ц2Н-500
| Название | Значение |
| Межосевое расстояние | 500 |
| Передаточное отношение | 8, 10, 12,5 ,16, 20, 25, 31,5, 40, 50 |
| Обороты вых. вала, об/мин | 15 - 187,5 |
| Крутящий момент, Н*м | 45000 - 56000 |
| Мощность двигателя, кВт | 589/126 |
| Исполнение входного и выходного валов | Ц, К, М, П (Цилиндрический, Конический, c зубчатой Муфтой, Полый) |
| Вес, кг | 2100 |
Редуктор цилиндрический двухступенчатый 1Ц2Н-500 с зацеплением Новикова предназначен для передачи крутящего момента и снижения частоты вращения в приводах тяжелого промышленного оборудования, где критичны высокая нагрузочная способность, плавность хода и надежность при длительной эксплуатации. Благодаря дуговому профилю зуба и двум линиям контакта в зацеплении, редукторы 1Ц2Н обеспечивают повышенную несущую способность по сравнению с эвольвентными аналогами при тех же габаритах. Это делает их оптимальным решением для металлургии, горнодобывающей промышленности, цементного производства, крупных конвейерных линий, дробилок и экструдеров. При проектировании учитывается межосевое расстояние — 500, которое определяет компоновку зубчатых ступеней и допустимую нагрузку на опоры.
Горизонтальные двухступенчатые редукторы этой серии работают в непрерывном и повторно-кратковременном режимах, выдерживают значительные радиальные и осевые нагрузки на входных и выходных валах и рассчитаны на климатическое исполнение У3/У4. Габаритные и присоединительные размеры 1Ц2Н-500 соответствуют отраслевым стандартам, что упрощает замену устаревших агрегатов и интеграцию в новые приводные системы. Типовое значение i (передаточные отношения) 8, 10, 12,5 ,16, 20, 25, 31,5, 40, 50 обеспечивает оптимальное согласование частоты вращения двигателя с рабочими оборотами исполнительного механизма.
Преимущества агрегатов следующие:
- Высокое качество и прочность корпуса.
- Надежность.
- Эффективная работа в экстремальных условиях.
Редуктор 1Ц2Н-500-16-12-КК-У4, где
1Ц2Н — цилиндрический двухступенчатый редуктор с зацеплением Новикова;
500 — межосевое расстояние, мм;
16 — номинальное передаточное число из стандартного ряда;
22 — стандартные варианты сборки (подтверждены ГОСТ 20373-94);
КК — коническое исполнение входного и выходного валов;
У4 — климатическое исполнение по ГОСТ 15150.
Редуктор цилиндрический двухступенчатый 1Ц2Н-500 с зацеплением Новикова рассчитан на работу в непрерывном (ПВ=100%) и повторно-кратковременном (ПВ=15–40%) режимах. Допускаемая радиальная нагрузка на выходном валу составляет 45 000 Н при постоянной нагрузке и до 56 000 Н в лёгком режиме (ПВ=15%). Масса агрегата — до 2 200 кг (чугунный корпус).
Техническое обслуживание редуктора 1Ц2Н-500 предполагает периодическую проверку состояния смазочного материала, контроль герметичности корпуса и своевременное выявление посторонних звуков или вибраций в процессе работы. Агрегат комплектуется прочным чугунным корпусом, проходит предпродажную обкатку на заводе и поставляется с заложенной смазкой, рекомендованной для конкретного режима эксплуатации.
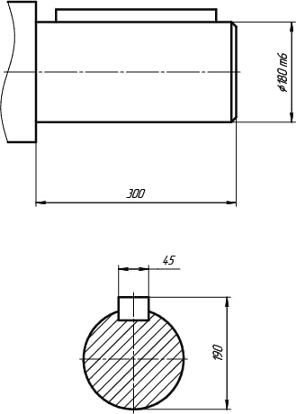
В конструкции предусмотрена передача высокого крутящего момента — 45000 - 56000, что гарантирует стабильность работы при пиковых нагрузках и отсутствии ударных перегрузок. Для контроля скорости вращения учитывают обороты выходного вала — 15 - 187,5 (об/мин). Это помогает точно определить диапазон рабочих скоростей для конкретного узла. Приводные двигатели подбираются с учетом расчетной мощности — 589/126 (кВт), что гарантирует сохранение баланса между производительностью и долговечностью. В зависимости от конкретных производственных требований может применяться исполнение конца выходного вала Ц, К, М, П (Цилиндрический, Конический, c зубчатой Муфтой, Полый) либо другие более подходящие значения.
Для обеспечения заявленного ресурса — до 15 лет и более — необходимо строго придерживаться допустимых радиальных консольных нагрузок на быстроходный и тихоходный валы и не выходить за рамки утвержденных режимов (непрерывный или повторно-кратковременный). Агрегаты выпускаются в стандартных вариантах сборок, а также в различных исполнениях валов: конических, цилиндрических или полых, что дает возможность точно адаптировать привод под вашу схему монтажа.
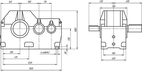
Габаритные и присоединительные размеры 1Ц2Н-500
Таблица подбора редукторов
Типоразмер редуктора | Передаточное число u | Мт, Н*м | Масса редуктора, кг |
редуктор Ц2У-315Н | 8, 10, 12.5, 16, 20, 25, 31.5, 40, 50 | 7 500-8100 | 520 |
редуктор Ц2У-355Н | 8, 10, 12.5, 16, 20, 25, 31.5, 40, 50 | 14 000- 14 100 | 700 |
редуктор Ц2У-400Н | 8, 10, 12.5, 16, 20, 25, 31.5, 40, 50 | 14 600- 16 300 | 930 |
редуктор Ц2Н-450 | 8; 10; 12.5; 16; 20; 25; 31.5; 40; 50 | 35 000- 37 000 | 1 530 |
редуктор Ц2Н-500 | 8; 10; 12.5; 16; 20; 25; 31.5; 40; 50 | 45 000- 50 000 | 2 100 |
Купить редуктор 1Ц2Н-500 в Краснодаре можно с доставкой по всей России и странам СНГ. Цена редуктора 1Ц2Н-500 формируется с учетом типоразмера, исполнения валов (конические КК, цилиндрические ЦЦ, полые П и др.) и схемы сборки. Мы предлагаем продукцию напрямую от завода-изготовителя — с гарантией 12 месяцев, полным комплектом документации и оперативной отгрузкой. Чтобы оформить заказ, достаточно оставить заявку на сайте или связаться с нашими специалистами по телефону. Они помогут подобрать нужную модель по передаточному числу, крутящему моменту и габаритным размерам, а также проконсультируют по вопросам совместимости и монтажа.
Адреса ООО "СП НАСОСЭНЕРГОМАШ":
- Редукторы
- Редуктор цилиндрический двухступенчатый с зацеплением Новикова 1Ц2У 315Н
- Редуктор цилиндрический двухступенчатый с зацеплением Новикова 1Ц2У 355Н
- Редуктор цилиндрический двухступенчатый с зацеплением Новикова 1Ц2У 400Н
- Редуктор цилиндрический двухступенчатый с зацеплением Новикова 1Ц2Н 450
- Редуктор цилиндрический двухступенчатый с зацеплением Новикова 1Ц2Н 500
*Доставка в другие регионы осуществляется траспортными компаниями.
Услуги транспортной компании оплачивает клиент.
В ближайшее время наши менеджеры
свяжутся с Вами.
В ближайшее время наши менеджеры
свяжутся с Вами.


